
產品與解決方案/PRODUCT AND SOLUTIONS
少用電 用好電 再生電 存儲電 防爆電
解決方案
再生制動能量吸收逆變裝置在重慶軌道交通中的應用
1 引言
軌道交通有著運量大、速度快、安全可靠、準點舒適的技術優勢正逐步成為主要城市的交通工具,同時也被視為城市交通體系的骨干力量。城市軌道交通工程中,普遍采用直交變壓變頻的傳動方式,車輛的制動方式為“電制動(再生制動)+機械制動”,運行中以電制動為主,機械制動為輔。列車在運行過程中,由于站間距較短,列車啟動、制動頻繁,制動能量相當可觀。目前國內城市軌道交通在地面采用電阻能耗吸收裝置處理列車運行過程中的再生能量,這不僅浪費能量,而且也增加了站內空調通風裝置的負擔,并使城軌建設費用和運行費用增加。如能將這部分能量儲存再利用,這些問題將迎刃而解。
目前,吸收裝置所采用的吸收方案主要有電阻耗能型、電容儲能型、飛輪儲能型和逆變回饋型等四種。而重慶軌道交通所采用的吸收裝置主要有電阻耗能型和逆變回饋型,逆變回饋型時將車輛制動時的直流電逆變成工頻交流電與車站內380V電網并網,將電能消耗在站內電梯、照明、通風等用電設施上,該吸收方案有利于能源的綜合利用,實現了節能。
2
重慶軌道交通(集團)有限公司改造現場
2.1
公司簡介
重慶市軌道交通(集團)有限公司創建于1992年,是重慶市唯一承擔城市軌道交通建設、運營和沿線資源開發一體化的大型國有控股軌道交通客運企業。軌道集團現有資產700多億元,職工上萬人,具有甲級軌道交通設計資質,甲級工程管理資質,甲級設備監理資質,甲級工程咨詢資質,二級房地產開發資質;擁有一批長期從事軌道交通技術研究與工程建設管理的技術骨干,以及接受過國內外大型地鐵公司系統培訓的軌道交通專業技術人才和運營管理隊伍;具有承擔城市軌道交通規劃、建設和運營管理以及軌道交通技術咨詢的能力,為實現重慶軌道交通的規劃目標提供了技術和人才保障。
軌道集團成功建成并運營了國內首條跨座式單軌交通線路——重慶市軌道交通2號線。目前運營線路已有4條,運營里程達到170公里。到2015年,將建成208公里軌道交通線路;2020年,將建成軌道交通線網300多公里,日客運量達到600萬人次。
2.2
牽引供電系統概況
重慶某線路牽引供電系統主要分為直流牽引網和交流配電網兩部分。主變電所將三相35kV高壓交流送至各牽引所,經整流變壓器、整流器變成適合軌道車輛應用的1500V直流母線,饋電線再將直流電送到接觸網上,接觸網是沿車輛走行軌架設的特殊供電線路,軌道車輛通過其受流器與接觸網的直接接觸而獲得電能。
牽引變電所一般設兩臺牽引整流機組。目前采用兩臺整流機組并聯運行構成等效24脈波整流方式。其容量按遠期運量設計,根據國標GB/T 10411-2005《城市軌道交通直流牽引供電系統》規定,牽引整流機組的負載能力應滿足:100%額定輸出連續;150%額定輸出2h;300%額定輸出lmin。允許電壓波動范圍為1000V~1800V。走行軌構成牽引供電回路的一部分。回流線將軌道回流引向牽引變電所。
交流配電網主要是提供站內的照明、通風、排水、電梯等基礎設施。
3
新風光再生制動能量吸收逆變裝置
3.1新風光再生制動能量吸收逆變裝置簡介
新風光再生制動逆變裝置(以下簡稱逆變裝置)即為逆變回饋型,其回饋能量將用于400V負載。逆變裝置(逆變+電阻)根據各個傳感器檢測信號,綜合判斷直流電網上是否有列車處于再生電制動狀態,一旦確認列車處于再生制動狀態并需要吸收能量時,系統啟動吸收過程。在控制系統中設置二級判斷基準值,當電網電壓升至到第一級判斷電壓時,系統首先投入逆變裝置,逆變裝置把機車剎車制動時產生的能量轉換成AC380V電壓,自動跟蹤AC380V母線電壓,并向負載供電,將再生能量消耗在用電設備上;一旦逆變吸收消耗不了該能量,將引起電網電壓進一步上升,當電網電壓升到第二級判斷電壓時,電阻斬波器立即投入工作,電阻吸收裝置將再生制動能量消耗,穩定電壓不再上升,確保機車充分有效利用電制動。在直流牽引供電系統中,再生制動能量吸收裝置作為一個子系統工程,其作用關乎系統的安全。
3.2
逆變裝置的主回路系統
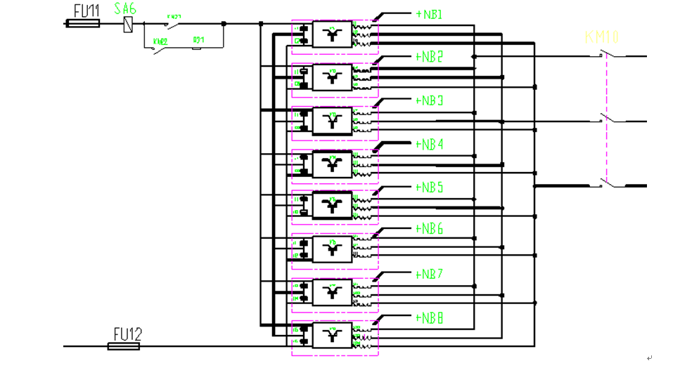
逆變裝置的一次主回路主要有直流接觸器、逆變單元、濾波電抗器、交流接觸器等部分組成。整機主回路圖如圖1所示。

圖1
逆變裝置整機主回路圖
3.3電氣原理
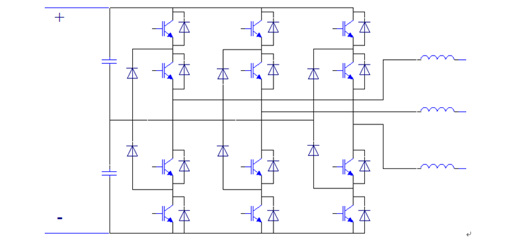
逆變設備單元采取單元并聯結構。由于該逆變設備回饋功率較大,且電網電壓低,所以總的輸出電流大,采用多單元并聯的拓撲結構實現起來更為容易。單元并聯主回路圖如圖2所示。

圖2 單元并聯主回路圖
逆變裝置的單元采用三電平拓撲電路,如圖3所示。逆變輸出電壓波形、輸出電流波形分別如圖4、5所示。

圖3 功率單元拓撲結構
3.4工作原理
本設備在接收到總控裝置啟動信號,即啟動/退出信號的無源常開結點閉合后,經過控制回路動作,送出啟動完畢確認信號,即此無源常開結點閉合。總控裝置檢測到啟動完畢確認信號后,根據母線電壓幅值給出開機結點信號。結點閉合逆變裝置IGBT瞬間開通,進行能量回饋。逆變設備工作過程中,時刻接受總控裝置的控制信號并及時回復設備內接觸器、各個單元的工作狀態信號。圖6為整機的控制原理圖。
圖6 整機控制原理圖
4 運行效果分析
再生制動能量吸收逆變裝置,顯著節電效果統計(重慶某線路)
據數據分析,以歇臺子站逆變裝置日均回饋電能1444度計,一天節省1444元,(工業用電1元/度),年節約52萬余元。對隧道內通風散熱需求降低,運行成本也相應降低,設備運行經濟效益顯著。
5
結束語
中國城市軌道交通建設已步入了快速發展時期。城市軌道交通雖然已是綠色交通工具,但是市場調研顯示,軌道交通現在已經成為各城市的用電大戶,能源消耗過大現象也非常嚴重。而再生制動能量吸收逆變裝置在重慶軌道交通中的應用有著良好的節能效果,目前主要在地鐵一號線、三號線、六號線穩定運行,取得了良好的經濟效益和社會效益,適應了國家建設資源節約型社會的潮流。