
產品與解決方案/PRODUCT AND SOLUTIONS
少用電 用好電 再生電 存儲電 防爆電
解決方案
交流牽引供電系統諧波消除裝置的應用
序言
車輛生產廠作為生產廠家牽引供電線路眾多,試驗及維修車型號不一,用電設備多種多樣。車輛生產廠牽引供電為110kV/10kV變壓器降壓到10kV,再由一臺10MVA牽引用單相升壓變壓器提供25kV單相電源供車輛試驗使用。這種供電方式存在的主要問題是:在車輛試驗時,10kV母線存在大量諧波電流。中車青島四方機車車輛股份有限公司曾對10kV供電電源諧波進行過測試,結果10kV母線中電流畸變率約50%(THD),諧波次數主要有3次、5次、7次、41次、43次等諧波。車輛試驗時經常造成廠內開關電源、數控機車等設備器件損壞,10kV側配置的容電感諧振諧波吸收裝置效果不明顯。
另外,牽引供電電源直接從電網的A,B相取電,C相處在空載狀態,會造成電網的三相負載不平衡。
鑒于上述情況,需對交流牽引供電電源進行改造,來達到真正的三相平衡補償,并且運行時注入電網的諧波滿足電網的電磁兼容中規定的諧波限值。
目前,對電氣化鐵路電能質量治理的思路,主要從兩個方面:一是從電源供電改進,另外一種思路就是增加補償裝置,如無功補償裝置、電力濾波器。
機車生產廠供電系統運行方式非常靈活,系統參數復雜。取諧波消除電源方案,將復雜的問題簡單化處理,將微網技術理念應用到治理中,使得牽引供電與系統既隔離又聯系,使微網內的問題不上傳不擴大,同時共享系統保護,可靠穩定運行。
1基于諧波消除裝置的供電系統組成

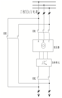
如圖1電源系統示意圖
本方案利用原有系統的三相10kV電網及單相10kV變25kV升壓變壓器,增加軌道交通單相電源。三相10kV電網作為電源多繞組變壓器的輸入側電源;變壓器的二次側輸出18組單相660V交流電源,變壓器二次側輸出給功率單元進行三相全橋整流濾波及單相逆變。18個功率單元輸出串聯疊加后形成10kV單相交流電源,經輸出濾波器后輸出高品質的正弦交流電源供用戶使用。電源系統結構組成如圖2所示。

圖2系統結構組成
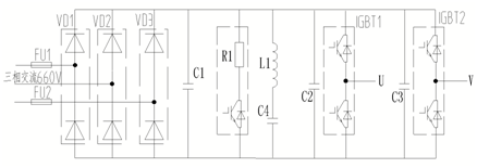
該裝置利用城市供電線路的三相電源作為輸入,變頻功率單元為成熟的交-直-交整流電路-逆變電路。整流側為二極管整流,逆變側為基本的IGBT模塊H橋單相逆變。通過對IGBT逆變橋進行正弦SPWM控制,可以得到正弦單相交流輸出。

圖3功率單元主回路圖
2控制系統
電壓環與電流環雙閉環反饋控制方法,用參考的]電壓給定值與輸出電壓反饋有效值進行比較得出電壓誤差,電壓誤差信號經過PID調節器后的輸出量作為電流控制的給定量;電流最大值給定與輸出電流瞬時反饋值進行比較得到電流的誤差量,電流誤差信號經過PID調節器,該調節器輸出的信號與電壓調節器輸出信號乘積與三角波比較產生各單元的PWM脈沖信號。系統控制框圖如圖所示。
采用這種控制方式的電源具體控制系統簡單、輸出電壓失真度小、動調響應速度快等優點。電壓外環監控輸出電壓,解決由于電網電壓波動、直流母線電壓波動和輸出電流波動對輸出電壓的影響,提高了逆變電源的動調性能。電流閉環可以限制電源最大允許電流輸出,可以限制電源輸出電流,防止因負載波動導致的故障停機及功率器件損壞。

圖4:閉環控制框圖
3關鍵技術
因牽引電源的負載全部為交流整流型負載,在整流設備中加入了儲能元件(濾波電容和濾波電感),從而使閥電壓提高,加重了諧波的產生量,電流畸變嚴重。電源裝置輸入變壓器采喲多重化模塊設計,以達到降低輸入諧波電流的目的。變壓器的18個二次繞組采喲延邊三角形連結。分為6個不同的相位,形成36脈沖二極管整流電流結構,理論上可以消除35次以下的所有諧波。輸出電流波形接線正弦波,總諧波失真度低于2%.變壓器同一相位的二次繞組給三個功率單元供電。這種變壓器不用加任何濾波器就可以滿足供電部分對電壓和電流諧波失真的要求。由于采用二極管整流負載側的無功功率有單元直流母線電容提供,輸入側功率因數穩定,基本可以保持在0.98以上。
逆變輸出采用多電平移相式SPWM技術,功率單元可以采用較低的開關頻率,降低開關損耗,而等效的總輸出載波很高,輸出電平數多,大大改善了輸出波形,降低輸出諧波。功率單元具有自動旁路功能,在某個單元故障后,自動進行旁路。
輸出載波移相不連續后,會造成相鄰單元母線電壓異常,控制中加入載波自動重新分配功能。當某個單元故障旁路后,更改載波的移相角度使單元間的相位差增大,達到載波平均分配的目的。
為進一步降低由于負載功率波動造成的電源輸入側諧波增大,單元直流母線加入穩壓儲能元件,使在負載快速變化時,單元直流母線的波動不大于10V,增加該環節能夠有效改善輸入側的電流不平衡和電流失真度。同時在輸入電壓善變時,直流儲能能夠保證功率單元正常工作,不會降低牽引供電的品質。
4電源的主要技術參數
1)額定容量10MVA
2)輸入電源電壓:輸入三相10kV±10%
3)輸出電壓:單相10kV±5%
4)輸出頻率穩定度:頻率變化率小于0.1%
5)電源效率:大于96%
6)工作方式:連續
7)過載能力:150% 60S
8)輸出電壓諧波小于2%
9)輸入功率因數 不小于0.96
10)輸入電流不平衡小于 5%
5改造效果測量
改造后,對10kV側電源質量進行監測,數據為輸入側電流諧波在3%,輸入電流平衡度為0.97,輸入功率因數0.99。滿足系統設計要求,應用電源裝置后電網諧波電壓諧波電流降低明顯,不再影響同一電源供電的先進機床等設備的使用。
結束語
諧波吸收裝置電源在機車單相供電應用中,屬于全隔離型電源設備。該技術可以應用于直接輸出27.5kV的系統中,解決供電電源不平衡及諧波問題,具有廣泛的推廣應用前景。