高壓變頻器一種新型備用投切技術在紙業廠的應用
1前言
東莞市上隆紙業有限公司成立于2007年,位于廣東省東莞市中堂鎮潢涌工業園、廣東省中堂北海仔造紙產業基地內。傍依東江,北接廣州,南壤深圳,毗鄰港澳,廣園、廣深、107國道三條經濟大動脈與黃浦、新沙港、虎門碼頭及廣深鐵路中轉站構成縱橫交錯、四通八達的交通網絡,為公司的生產經營提供了得天獨厚的水陸地理條件。
公司一期工程投資了5億元,裝備了一臺130噸循環硫化床鍋爐和18000kW汽輪發電機組,二條4800cm,600m/min的高速抄紙機及大型水力碎漿機、高濃碎漿機、熱分散設備、大直徑盤磨機、多壓力成型器等。主要產品有高強瓦楞原紙、掛面箱板紙、仿牛皮卡紙。
2008年,在自備電站建設時引進了新風光電子公司的710kW/10kV和560kW/10kV兩臺高壓變頻器,分別用在1#和2#的引風機上。投運后,設備一直比較運行穩定,節能效果明顯。
近年,由于現場環境酸性比較強,對設備腐蝕嚴重。為了保證生產的穩定,方便對高壓變頻器進行維護檢修,用戶準備增加一臺備用變頻器。新風光電子科技股份有限公司采用第六代高壓變頻器為現場設計了一種新型備用投切應用。
2 火力發電工藝介紹
2.1自備電廠生產過程
發電廠的生產過程概括起來是:先把煤磨成很細的煤粉,再借助熱風送入鍋爐內充分燃燒,使儲存于燃料中的化學能轉變為熱能;鍋爐內的水吸熱后在一定壓力下變為飽和蒸汽,飽和蒸汽在過熱器內繼續加熱成過熱蒸汽,沿新汽管道進入汽輪機,在汽輪機內膨脹做功,驅動汽輪發電機組旋轉,將蒸汽內能轉換成汽輪發電機組轉子系統旋轉的機械能;發電機轉子旋轉時,在發電機轉子內由勵磁電流形成的磁場也隨之旋轉,使定子線圈所交鏈的磁通發生周期性的變化,在定子線圈中產生感應電勢,發出電能,供給廠區用電設備。
圖1
發電廠生產過程框圖
2.2自備電廠生產工藝流程
電廠主要設備:鍋爐、汽輪機、發電機。
電廠主要組成:風系統、燃料輸送系統、給水蒸汽系統、冷卻系統。鍋爐是一個換熱器,主要由爐膛、水冷壁、過熱器、省煤器、空氣預熱器組成。
圖2
電廠生產工藝流程

圖3
自備電廠現場圖
電廠排煙系統:提供鍋爐燃燒的氧氣,帶動干燥的燃料進入爐膛,維持爐膛穩定風壓以穩定燃燒。
一次風機:將干燥燃料送入爐膛。
二次風機:克服空氣預熱器、風道及燃燒器阻力,輸送燃燒風,維持燃料充分燃燒。
引風機:將煙氣排除,維持爐膛壓力,形成流動煙氣。
3新風光備用變頻器改造設計
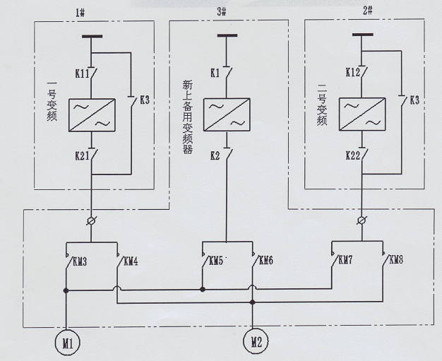
3.1主回路結構
圖4
變頻器改造主回路圖
3.2邏輯控制介紹
1#和2#是原來兩套變頻器系統,3#是新上備用變頻器。正常情況下KM3,KM8吸合,1#和2#變頻器分別驅動兩臺電機。假如1#變頻器出現故障,KM3交流接觸器斷開,KM5吸合。3#變頻器以飛車啟動模式把電機帶起來,不影響生產。假如2#變頻器出現故障,KM8交流接觸器斷開,KM6吸合,3#變頻器以飛車啟動模式把電機帶起來。把故障變頻器維修好后,給3#備用變頻器切換信號,3#變頻器輸出交流接觸器KM5或KM6斷開,原來對應的接觸器吸合,維修后的變頻器以飛車形式啟動。同樣,如果開始投入的是2#和3#變頻器,其中的一臺出現故障,也可以切換到1#變頻器上。實現了1#,2#、3#三臺變頻器之間的任意切換。
(1)刀閘狀態錯誤報警
開機狀態下K1斷開報警。
開機狀態下K2斷開報警。
(2)接觸器邏輯錯誤
所有接觸器該合未合或該斷未斷報接觸器故障。
KM5或KM6邏輯錯誤作為重故障處理:封波,停機,聯跳高壓。
刀閘錯誤狀態和接觸器邏輯錯誤狀態使用Modbus
Address 18 VW314,具體見表1所示。

(3)開機刀閘條件2
開機刀閘條件2滿足的條件為:K1閉合,K2閉合,KM5或KM6有且只有一個吸合,有高壓就緒。
(4)高壓允許刀閘條件
高壓允許刀閘條件1滿足的條件:K1閉合,K2閉合。高壓允許刀閘條件2始終不滿足。
(5)聯跳高壓刀閘條件
聯跳高壓刀閘條件滿足的條件:無接觸器邏輯錯誤,K1閉合,K2閉合
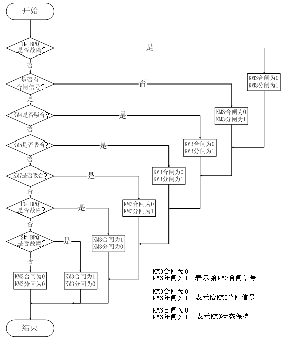
(6)KM3控制邏輯
KM3的邏輯控制如圖5所示
圖5
KM3的邏輯控制
(7)KM4的控制邏輯
KM4的合斷邏輯與KM3類似,只是吸合條件判斷變為判斷KM3是否吸合。
(8)KM5的控制邏輯
KM5的合斷邏輯除必須先滿足FGI變頻器滿足無故障,無急停狀態,K1閉合,K2閉合,有高壓就緒的條件下,還要滿足與KM3類似的互鎖條件。
(9)KM6的控制邏輯
KM6的控制邏輯與KM5類似。
(10)KM7的控制邏輯
KM7的控制邏輯與KM3類似,條件與KM3的條件如同鏡像。
(11)KM8的控制邏輯
KM8的控制邏輯與KM7類似,只是吸合條件判斷變為判斷KM7是否吸合。
經過此種邏輯控制,實現了3#變頻器與其他兩臺變頻器的切換邏輯功能。
4新風光第六代高壓變頻技術優勢
具體來說,風光第六代高壓變頻器除具有一般普通高壓變頻器的性能外,還具有以下突出特點:
(1)采用高速DSP作為中央處理器,運算速度更快,控制更精準。
(2)矢量控制技術,通過測量和控制交流電動機定子電流矢量,根據磁場定向原理分別對交流電動機的勵磁電流和轉矩電流進行控制,從而達到控制交流電動機轉矩的目的。啟動轉矩大,轉矩動態響應快,調速精度高,帶負載能力強。
(3)快速飛車啟動功能。能夠識別電機的速度并在電機不停轉的情況下直接起動。在變頻器受到負載沖擊保護后可對其自動復位,然后再自動啟動,即可避免重要場合(如水泥廠高溫風機)變頻保護停機造成的損失。快速飛車啟動技術可實現變頻器在0.1s之內從保護狀態復位重新帶載運行。
(4)工頻/變頻無擾切換技術。現在的高壓變頻調速系統一般設置工頻旁路切換柜,變頻器發生故障時能使高壓電機轉至工頻運行,旁路切換有手動旁路和自動旁路切換兩種型式,手動旁路需人工操作,適應于無備用裝置或不重要的運行工況,自動旁路可在變頻器發生故障后直接自動轉換至工頻運行。新風光公司提供的自動旁路切換柜,不僅可實現變頻故障情況下自動由變頻轉換至工頻運行狀態,還可實現在變頻檢修完畢后由工頻瞬間轉換至變頻運行的功能,整個轉換過程不會對用戶設備的運行造成任何影響。
(5)電網瞬時掉電重啟技術,電網瞬間掉電可自動重啟,可提供最長60s的等待時間。
(6)線電壓自動均衡技術(星點漂移技術)。變頻器某相有單元故障后,為了使線電壓平衡,傳統的處理方法是將另外兩相的電壓也降至與故障相相同的電壓,而線電壓自動均衡技術通過調整相與相之間的夾角,在相電壓輸出較大且不相等的前提下保證較大的線電壓均衡輸出。
(7)振蕩抑制技術,電機輕載或者空載的時候會出現局部不穩定現象,這時電流幅值波動很大,電流的振蕩有可能會導致系統因為過流或過壓而觸發保護。新風光公司采用優越的電流算法,有效地抑制電流的振蕩,保證系統穩定可靠的工作。
(8)多機主從控制技術,變頻器具備主從控制功能,多臺變頻器之間可通過數據總線組成主從控制網絡。將其中的一臺設為主機,其他設為從機,主機實時采集各從機的狀態信息,同時發送給各從機頻率、轉矩指令,實現各臺變頻器的功率平衡和綜合控制。該技術適用于皮帶機、摩擦式提升機等需要功率平衡控制的場合。
(9)輸出電壓自動穩壓技術,變頻器實時檢測各單元母線電壓,根據母線電壓調整輸出電壓,從而實現自動穩壓功能。避免電網波動對輸出電壓的影響。
(10)故障單元熱復位技術,若單元在運行中故障,且變頻器對其旁路繼續運行,此時可在運行中對故障單元進行復位,不必等變頻器停機。
(11)單元直流電壓檢測:實時顯示檢測系統的直流電壓,從而實現輸出電壓的優化控制,降低諧波含量,保證輸出電壓的精度,提升系統控制性能,并可使保證運行維護人員實現對功率單元運行狀況的全面把握。
(12)具備突發相間短路保護功能。如果由于設備原因及其他原因造成輸出短路,此時如果變頻器不具備相間短路保護功能,將會導致重大事故。變頻器在發生類似問題時能夠立即封鎖變頻器輸出,保護設備不受損害,避免事故的發生。
(13)限流功能:當變頻器輸出電流超過設定值,變頻器將自動限制電流輸出,避免變頻器在加減速過程中或因負載突然變化而引起的過流保護,最大限度減少停機次數。
(14)多種控制方式,可選擇本機控制、遠控盒控制、DCS控制支持MODBUS、PROFIBUS等通訊協議頻率設定可以現場給定、通訊給定等支持頻率預設、加減速功能。
5結束語
在經過現場安裝調試后證明,新風光電子此種備用設計結構簡單,經濟實用,滿足了現場工藝要求。為我們在其他現場進行類似改造時提供了一種可借鑒的經驗。