
產品與解決方案/PRODUCT AND SOLUTIONS
少用電 用好電 再生電 存儲電 防爆電
解決方案
7MW高壓變頻電源在水泵測試臺中的應用
湖南南方長河泵業有限公司是南方泵業股份有限公司的全資子公司,位于湖南省長沙經濟技術開發區,是南方泵業股份有限公司中高端大中型泵銷售、研發、制造及實驗基地。
該公司主要產品包括單級雙吸中開離心泵、臥式多級中開離心泵、立式長軸泵、筒袋式冷凝泵、立式及潛水式斜流泵、立式及潛水式軸流泵、蝸殼式混流泵及污水泵、節段式多級離心泵、泵用直角齒輪箱、大中型外殼水冷式深井泵專用電機,各種膜法海水淡化用泵以及API610
BB1,BB3,OH1,OH2,VS1,VS6,VS7等石油化工用泵等。廣泛應用在電力、冶金、鋼鐵、水利、市政、環保、疏浚、石油、化工、消防等行業,每年約有70%以上的產品出口到歐美等六十多個國家,是國內中開泵、長軸泵產品規格較全、出口量較大的企業。
2
水泵測試中心
湖南南方長河泵業有限公司水泵測試中心,擬對原有變頻電源設備進行升級改造,采用全自動上位機測控系統,改造后可以對各種型式水泵進行性能測試,可以真實地把握水泵的出廠性能以及水泵研發效果。
長河泵業原有技術參數如下:高壓變頻電源設備輸入電壓10kV,輸出電壓10kV/6kV,輸出電流的范圍為0A-400A;頻率范圍為0-75Hz可調,升級改造后變化為:輸入電壓10kV,輸出電壓1100V-10000V范圍內的無極調壓;輸出電流的范圍為0A-450A;頻率范圍為輸出電壓范圍內的任一電壓可0-75Hz可調。
測試中心采用全自動上位機測控系統,可對整個測試中心全方位監控,采用高精度檢測儀器儀表、傳感器和計算機相結合自動測控、采集、處理、分析電力參數及流體參數,測試結果可自動進行顯示、打印制表、繪制特性曲線(變速、變徑、變角),系統不確定度分析。中央控制室與接待室數據可同步運行顯示。
3
風光高壓變頻電源控制系統基本參數
風光高壓變頻電源系統,以高可靠性、易操作、高性能為設計目標。高壓變頻電源系統采用新IGBT功率器件,全數字化微機控制,有關電源基本參數如表1所示。
4高壓變頻電源系統
高壓變頻電源系統采用直接“高-高”變換形式,為單元串聯多電平拓撲結構,主體結構由多個功率模塊串聯而成,從而由各組低壓疊加而產生需要的高壓輸出,它對電網諧波污染小,輸入諧波畸變小于3%,直接滿足IEEE519-1992的諧波抑制標準,輸入功率因數高,不必采用輸入諧波濾波器和功率因數補償裝置;輸出波形質量好,輸出電壓諧波畸變小于2%,不存在諧波引起的電機附加發熱和轉矩脈動、噪音、輸出dv/dt、共模電壓等問題,不必加輸出濾波器,就可以使用普通的異步電機。
4.1電源系統拓撲結構
變頻電源裝置0-10kV輸出,每個系統共有24個功率單元,每8個功率單元串連構成一相,其系統結構如圖1所示。

圖1
變頻電源系統結構示意圖
4.2功率單元
每個功率單元分別由輸入變壓器的一組副邊供電,功率單元之間及變壓器二次繞組之間相互絕緣,二次繞組采用星形折邊接法,實現多重化,以達到降低輸入諧波電流的目的。每個功率單元結構上完全一致,可以互換,為基本的單相逆變電路,整流側為二極管三相全橋,
IGBT逆變橋的控制方式為PWM控制,并且有自動單元旁路功能,大大提高系統運行的可靠性。
4.3功率柜
柜內主要對功率單元進行組合,通過每個單元的U、V輸出端子相互串接而成星型接法給電機供電,通過對每個單元的PWM波形進行重組,得到非常好的PWM波形,dv/dt小,可減少對電纜和電機的絕緣損壞,無須輸出濾波器就可以輸出電纜長度很長,電機不需要降額使用。
4.4控制柜
控制器采用32位高速DSP芯片,精確的算法保證電機達到較優的運行性能。彩色嵌入式人機界面提供友好的全中文監控和操作界面,同時可以實現遠程監控和網絡化控制??刂破靼ㄒ慌_內置的PLC,用于柜體內開關信號的邏輯處理,以及與現場各種操作信號和狀態信號(包括DCS/RS485//Modbus)的協調,并且可以根據用戶的需要擴展控制開關量。控制器與功率單元之間采用光纖通訊技術,低壓部分和高壓部分完全可靠隔離,系統應具有極高的安全性,同時具有很好的抗電磁干擾性能。
4.5變壓器柜及風機
主要包括為功率單元供電的移相變壓器,輸入側的電壓、電流檢測器件,以及溫度檢測器件溫控器。變頻電源功率柜頂部和變壓器柜頂部所配冷卻風機。干式變壓器繞組底部也配有冷卻風機,由溫控儀檢測變壓器繞組溫度進行控制。
4.6上位機接口清單
上位機接口清單如圖2所示。

圖2上位機接口清單
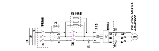
5 變頻電源主回路
變頻電源主回路如圖3所示。變頻電源能任意拖動10kV/4200kW或6kV/4200kW電機,以及3kV/2300V/1100V等電壓等級電機水泵測試實驗。例如拖動10kV/4200kW,變頻電源參數的輸出額定電壓需設為10kV,過流保護值,輸入測試水泵電機銘牌參數。如需測試其他電壓等級的水泵電機,則只需按照設定為相應的輸出電壓等級,及相應參數即可。

圖3
高壓變頻電源主回路
6 對外標準接口
整套變頻控制裝置,包括控制柜、功率柜、變壓器柜、旁路柜等所有部件及內部連線一體化設計,需方只須連接高壓輸入、高壓輸出、控制電源和控制線即可。
高壓變頻電源對外接口的具體定義如下:
6.1變頻電源提供的開關量
變頻電源采用自制PLC邏輯控制板,標準數字量配置為24點入、16點出,并且可以根據用戶的不同需求進行I/O點的擴展及參數化設計。其部分輸出定義為:
(1) 變頻電源就緒狀態指示:表示變頻電源已待命,具備啟動條件,1路,常開點,閉合有效。
(2) 變頻電源運行/停機狀態指示:表示變頻電源正在運行,各1路。變頻運行狀態指示為常開點,節點閉合時表示為變頻電源處于運行狀態;變頻停止狀態為常閉點,節點閉合時表示變頻電源處于停止狀態。
(3) 變頻電源控制狀態指示:外控控制狀態為常開點,節點閉合表示變頻電源控制權為現場遠程控制;本地控制狀態為常閉點,節點閉合時表示變頻電源控制權為本地變頻電源控制,各1路。
(4) 變頻電源報警指示:表示變頻電源產生報警信號。包含柜門非法打開、變壓器超溫、控制電源掉電、給定信號斷線、單元故障等信息,1路,常開點,閉合有效。
(5) 變頻電源故障指示:表示變頻電源發生重故障,立即關斷輸出切斷高壓。包含過壓、過流、過載、短路等信息,1路,常開點,閉合有效。
(6) 電機在工頻旁路:表示電動機處于工頻旁路狀態,常開點,閉合有效。
以上為變頻電源的基本輸出狀態點。
6.2變頻電源提供給高壓開關柜的開關量
高壓開關緊急分斷:變頻電源出現重故障時,自動分斷高壓開關,1路常開點,閉合有效。
高壓合閘允許:允許將高壓開關合閘,1路常開點,閉合有效。
以上所有數字量采用無源接點輸出,定義為接點閉合時有效。除特別注明外,接點容量均為AC220V,3A。
6.3高壓開關柜提供給變頻電源的開關量
高壓就緒:高壓準備就緒,為高壓開關提供的1路常開點,閉合有效。
6.4變頻電源提供的模擬量
變頻電源可以提供2路4~20mA的電流源輸出,帶負載能力均為250Ω。分別為輸出頻率、輸出電流信號。
6.5
DCS提供給變頻電源的開關量
a) 啟動指令:干接點,3秒脈沖閉合時有效,變頻電源開始運行。
b) 停機指令:干接點,3秒脈沖閉合時有效,變頻電源正常停機。
c) 緊急停機指令:干接點,閉合保持有效,變頻電源緊急停機。
6.6
DCS提供給變頻電源的模擬量
變頻電源提供1路4~20mA電流源輸入,其輸入可根據用戶不同的要求進行定義,滿足用戶多方面的需求,可定義為給定頻率、給定轉速、壓力反饋等。
6.7通訊協議
默認通訊協議為MODBUS通訊協議,通訊接口為RS485接口。通訊協議:PROFIBUS通訊協議,提供2個通訊口,與現場上位機組成冗余系統(現場上位機為西門子S7-400冗余系統)。
7
高壓變頻電源在水泵測試臺使用效果
該設備自投運以來,改造達到了預期目的。高壓變頻電源現場運行如圖4所示,變頻電源測試10kV電機水泵的測試界面如圖5所示,高壓變頻電源視在功率476kW,有功功率414kW,輸入電壓10.59kV,輸出電壓10.52kV,輸入電流23.9A,輸出電流24.8A,輸出頻率50.00Hz,測試實驗非常方便。
(1)新風光電子公司生產的JD-BP38-7000高壓變頻電源所有部分裝在配電柜內,不需要另外的電抗器、濾波器等設備裝置。體積小,結構緊湊,安裝簡單,現場配線少,調試周期短,投入生產快。
(2)高壓變頻電源的運行參數及各種指示在觸摸屏均有顯示。
(3)電源帶有標準通訊接口,上位機可以通過通訊完全集控變頻電源。
(4)變頻電源非常方便實現測試各種電機水泵測試需求,只需設定相應的參數即可,可任意拖動10kV/6kV/3kV/2300V/1100V等電壓等級,不超過450A電流,0-72Hz水泵完成測試各種實驗。
(5)具有與進口設備同樣的測試效果,大大降低了水泵測試成本。

圖4
高壓變頻電源設備現場運行照片
圖5
高壓變頻電源人機界面
(6)附錄用變頻電源測試的水泵型式試驗報告
測試中心對水泵的流量、揚程、轉速、軸功率及效率等性能參數進行實際測試。在水泵不同流量的條件下,分別對水泵揚程(進口揚程、出口揚程、總揚程)、功率、轉速、效率進行測試。變頻電源根據用戶要求,輸出電壓10kV,帶載輸出穩定,電壓、電流及諧波等各方面性能指標滿足要求,達到了改造的預期目的。型式試驗報告見圖6所示。
