
產品與解決方案/PRODUCT AND SOLUTIONS
少用電 用好電 再生電 存儲電 防爆電
解決方案
改造升級 強勢賦能 | 新風光高壓SVG助力鋼鐵行業電能質量升級
項目背景
某大型鋼鐵企業軋鋼車間配電系統原采用傳統TSC(晶閘管投切電容器)進行無功補償。隨著生產規模擴大,車間內大量變頻器、電弧爐等非線性負載占比增加,導致以下問題:
01功率因數波動大
01平均功率因數僅0.75~0.82,面臨電網質量考核。
02電壓閃變嚴重
軋鋼機沖擊性負載導致母線電壓波動±10%,影響精密設備運行。
03諧波超標5次、7次諧波含量超國標限值,電容器頻繁燒毀。
企業決定對配電系統進行改造,采用高壓SVG替代原有TSC裝置,實現動態無功補償與諧波治理。

改造方案設計
01技術選型
新風光技術人員對現場電能質量問題進行測量評估,出具專業的電能質量測試報告,根據現場實際情況,提供解決方案,配置10kV 8Mvar戶內水冷型SVG設備,響應時間更快并且兼具諧波治理功能。
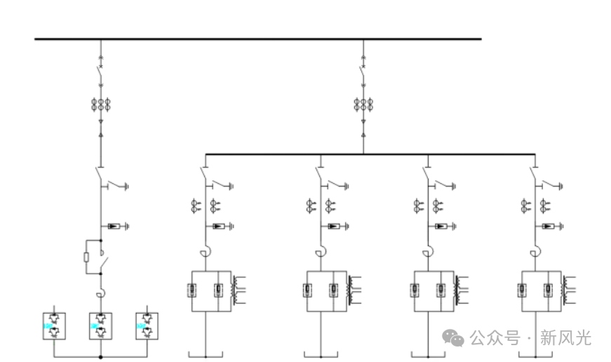
02系統拓撲


實施效果對比

技術亮點
01動態響應能力:SVG可在1個工頻周期內完成無功補償,有效抑制沖擊負載引起的電壓閃變。
02四象限運行:支持容性與感性無功雙向調節,適應鋼廠復雜工況。
03智能運維:可連接現場后臺或上位機系統,實現遠程監控與故障預警,降低人工巡檢成本。
高壓SVG改造通過快速動態補償與諧波抑制,解決了傳統無功裝置響應慢、諧波放大等問題,兼具經濟性與可靠性,是智能電網升級的關鍵技術之一。
新風光多年來專注電力電子技術的研發與應用,SVG產品擁有完全自主知識產權,系列產品廣泛應用于風電、光伏、冶金、煤礦等行業,市場占有率逐年提高,并獲得制造業單項冠軍稱號。新風光努力踐行“節約能源,服務社會”的企業愿景,為國家實現“雙碳”目標貢獻新風光力量。
